
شرح دقیق محصول
| مزیت - فایده - سود - منفعت: | سرعت بالا | سرعت برچسب زدن: | 60-200 عدد در دقیقه |
|---|---|---|---|
| تابع: | برچسب برچسب Ahesive | مواد: | فولاد ضد زنگ |
| نوع بطری: | شیشه برچسب بطری گرد اتوماتیک | کاربرد: | برای همه نوع ظرف گرد |
| نام تجاری Plc: | MITSUBISHI (ژاپن | سروو موتور برچسب زدن: | DELTA (تایوان |
دستگاه برچسب زدن شراب قرمز دستگاه برچسب زدن بطری شراب شیشه ای ، سیستم کنترل PLC دستگاه برچسب زدن مارک MITSUBISHI
امکانات:
1. عملکرد: سیستم کنترل PLC کار با دستگاه برچسب گذاری را آسان می کند
2. ماده: بدنه اصلی دستگاه برچسب زدن از فولاد ضد زنگ SUS304 ساخته شده است
3. پیکربندی: دستگاه های برچسب گذاری ما قطعات شناخته شده ژاپنی ، آلمانی ، آمریکایی ، کره ای یا تایوان را اتخاذ می کنند
4. انعطاف پذیری: مشتری می تواند چاپگر و دستگاه کد را اضافه کند. می تواند اتصال با حمل و نقل را انتخاب کند یا نه.
پارامترهای فنی:
| نام | بطری شراب گرد اتوماتیک برای دستگاه برچسب زدن بطری دور آستین با سرعت بالا |
| سرعت برچسب زدن | 60-350 عدد در دقیقه |
| ارتفاع شی | 30-350 میلی متر |
| ضخامت جسم | 20-120 میلی متر |
| ارتفاع برچسب | 5-180 میلی متر |
| طول برچسب | 25-300 میلی متر |
| قطر داخل برچسب غلتکی | 76 میلی متر |
| قطر خارج برچسب غلتکی | 420 میلی متر |
| دقت برچسب زدن | ± 1 میلی متر |
| منبع تغذیه | 220 ولت 50/60 هرتز 3.5 کیلو وات |
| مصرف گاز چاپگر | 5 کیلوگرم در متر مربع (اگر دستگاه کدگذاری اضافه کنید) |
| اندازه دستگاه برچسب زدن | 2800 (L) × 1650 (W) × 1500 (H) میلی متر |
| وزن دستگاه برچسب زدن | 180 کیلوگرم |
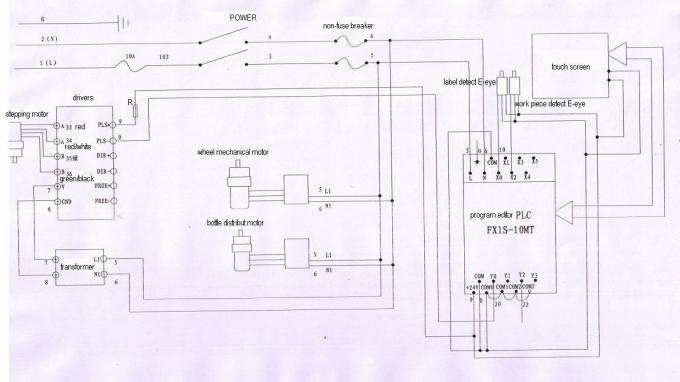
پیکربندی
| نه | قسمت | نام تجاری | تعداد |
| 1 | PLC | میتسوبیشی (ژاپن) | 1 |
| 2 | مبدل اصلی | DANFOSS (دانمارک) | 1 |
| 4 | HMI | WEINVIEW (تایوان) | 1 |
| 5 | موتور برچسب زدن سروو | دلتا (تایوان) | 1 |
| 6 | راننده موتور برچسب زدن سروو | دلتا (تایوان) | 1 |
| 7 | موتور نوار نقاله | HY (تایوان) | 1 |
| 8 | گیربکس موتور نوار نقاله | HY (تایوان) | 1 |
| 9 | تقسیم موتور بطری | GPG (تایوان) | 1 |
| 10 | تقسیم گیربکس موتور بطری | GPG (تایوان) | 1 |
| 11 | بطری جدا کننده سرعت موتور | GPG (تایوان) | 1 |
| 12 | موتور اسپوک | GPG (تایوان) | 1 |
| 13 | گیربکس موتور اسپوک | GPG (تایوان) | 1 |
| 14 | شی تشخیص سحر و جادو | OMRON (ژاپن) | 1 |
| 15 | فیبر نوری | OMRON (ژاپن) | 1 |
جزئیات دستگاه:

32 قطعه اصلی ماشین برچسب زدن

مدار

س FAالات متداول:
1. برچسب حباب می گیرد
دلایل:
board لایه برداری خوب نیست / صاف نیست ؛
board تخته شخم خوب نیست / مسطح نیست ؛
output خروجی برچسب خیلی سریع است یا سرعت خط مونتاژ خیلی کم است.
④ برچسب بیش از حد شل شده است
راه حل ها:
board یک لایه تخت را تغییر دهید
board یک تخته شخم صاف را تغییر دهید ؛
speed کاهش سرعت خروجی برچسب زدن یا افزایش سرعت خط مونتاژ ؛
④ به درستی بر کمربند برچسب ضربه بزنید.
برچسب: دستگاه برچسب زدن صنعتی ، دستگاه برچسب زدن بطری شیشه ای









